第三讲工程模板建立
这一讲主要学习 STM32 基础工程模板怎么建立。重点是先把工程里最常用、最基础的配置固定下来,包括时钟配置、SYS 调试接口配置、Project Manager 工程生成设置,以及 ST-Link 下载连接。把这些基础步骤走顺,后面无论是继续写裸机程序,还是接任务调度器、RTOS,都会更方便。
课件示例主要基于 STM32F429ZGTx,当前西门子杯备赛主控是 GD32F470VET6。两者在工程建立、时钟配置、调试下载这些基础流程上思路接近,学习时可以先跟着课件走,再结合当前芯片做对应调整。
裸机开发和调度器开发

裸机开发(Bare-Metal)
裸机开发就是直接在硬件上编程,没有操作系统或调度器的参与。
特点:
-
直接控制硬件资源
-
系统开销小
-
执行顺序固定
-
适合简单任务
问题:
-
功能一多,代码容易乱
-
多任务处理困难
-
一个任务阻塞,可能影响整个系统
调度器开发(Scheduler-Based)
调度器开发是把不同功能拆成多个任务,再按时间或规则安排执行。
特点:
-
适合多任务开发
-
任务管理更清晰
-
方便扩展
-
更适合后续 RTOS 学习
一句话理解:
-
裸机开发更直接
-
调度器开发更适合复杂项目
时钟配置
为什么要配时钟
时钟决定了芯片运行速度,也决定了很多外设能不能正常工作。
时钟配置主要影响:
-
程序运行速度
-
外设驱动
-
系统稳定性
-
功耗控制

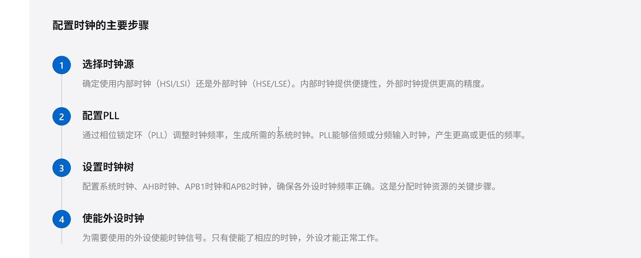
配置时钟的主要步骤
选择时钟源
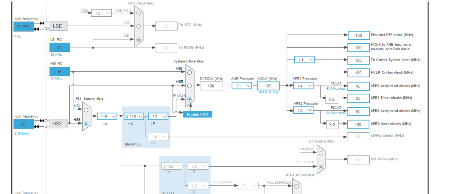
常见时钟源有:
-
HSI:内部高速时钟 -
HSE:外部高速时钟 -
LSI:内部低速时钟 -
LSE:外部低速时钟
一般理解:
-
HSE常用于主系统时钟 -
LSE常用于RTC
这里还要特别注意:
-
外部晶振频率不是固定值,不同开发板可能不一样
-
配时钟前一定要先看原理图或板卡说明,确认板子实际用的是多少 MHz 的外部晶振
一句话记住:
HSE 频率不能想当然,必须先确认硬件实际参数。

配置 PLL
PLL 的作用是对输入时钟进行倍频或分频,得到目标系统主频。
简单说:
-
先选输入时钟
-
再通过
PLL调整频率 -
最后得到系统需要的时钟

配置时钟树
时钟树里常见几个时钟:
-
SYSCLK -
HCLK -
PCLK1 -
PCLK2
配时钟树时要注意:
-
各总线频率不能超范围
-
外设时钟要和芯片规格匹配
使能外设时钟
外设不是初始化了就能用,还必须有对应时钟。
例如:
-
GPIO 需要 GPIO 时钟
-
串口需要 USART 时钟
-
定时器需要 TIM 时钟
一句话记住:
外设要工作,先保证时钟正确。
SYS 配置

调试接口配置
在 System Core -> SYS 里,开发阶段通常把:
Debug = Serial Wire
也就是使用 SWD 调试方式。
SWD 和 JTAG
SWD
特点:
-
只用较少引脚
-
接线简单
-
STM32 开发中最常用
常见信号:
-
SWDIO -
SWCLK
JTAG
特点:
-
引脚更多
-
功能更完整
-
一般复杂调试时才会考虑
一句话记住:
平时建工程,优先选 SWD。

Project Manager 工程设置

项目基本信息
主要包括:
-
项目名称
-
项目保存位置
-
工具链 / IDE 选择
例如常见选择:
-
MDK-ARM -
IAR -
CubeIDE

Code Generator 常见设置
常用选项有:
-
Copy only the necessary library files -
Generate peripheral initialization as a pair of '.c/.h' files per peripheral -
Keep User Code when re-generating
这些选项的作用可以简单理解为:
-
只拷贝必要库文件,让工程更精简
-
每个外设单独生成
.c/.h,结构更清楚 -
重新生成代码时保留用户代码,避免内容丢失
一句话记住:
建模板时,工程结构要清晰,用户代码要能保留。

下载器与接线
ST-Link 常见连接方式
STM32 下载最常见的是 ST-Link + SWD。
至少要接:
-
SWDIO -
SWCLK -
GND
建议再接:
VCC

为什么 GND 必须接
因为下载器和目标板必须共地,否则通信可能不正常。
VCC 为什么建议接
VCC 常作为目标板参考电平,接上以后更稳,也方便下载器识别目标板电压。
一句话记住:
SWDIO、SWCLK、GND 是基本连接,VCC 建议也接。

下载失败常见原因
如果出现下载器连接失败,可以优先排查下面几项:
-
USB 线或驱动有问题
-
ST-Link没识别到 -
SWDIO、SWCLK、GND接错 -
板子供电异常
-
SYS里没有正确配置Serial Wire
有些情况下还可以尝试:
Connect under Reset

烧录报错后常见处理
如果后续在烧录时出现连接失败、找不到下载器,或者程序一直下载不进去,可以按下面这个顺序去检查和设置。
先检查 CubeMX 里的 SYS 配置
先回到:
System Core -> SYS
确认:
Debug = Serial Wire
如果这里没有选 Serial Wire,后面的 SWD 下载和调试就可能出问题。
再检查下载器接线
重点看这 4 根线:
-
SWDIO -
SWCLK -
GND -
VCC
其中:
-
GND必须接 -
VCC强烈建议接
如果 GND 没接好,或者 SWDIO、SWCLK 接反,常见现象就是连不上板子、识别不到芯片、下载失败。
在 Keil 里常用的处理方法
如果已经确定接线没问题,但还是烧录报错,可以在 Keil 的下载设置里这样处理:
-
打开
Options for Target -
进入
Debug -
点击
Settings -
确认
Port选的是SW -
如果仍然连不上,把
Connect改成under Reset -
Reset可以选SYSRESETREQ

上面这一步主要是先进入调试器设置界面,后面真正和烧录、连接相关的选项都在这里继续点进去。

在 Flash Download 这一页里,通常要确认:
-
已经选中了对应芯片的 Flash Algorithm
-
勾上
Reset and Run
如果这里芯片算法没选对,也可能导致烧录异常。

这张图里重点看几个地方:
-
Port选SW -
Max Clock不要一开始设太高,连不上时可以先降一点 -
Connect选under Reset -
Reset选SYSRESETREQ
这一步的作用是:
-
让下载器在芯片复位时建立连接
-
适合程序跑飞、普通连接方式连不上的情况
如果界面提示 No ST-LINK detected
这个提示一般说明电脑这边就还没有正常识别下载器,这时候先不要急着改工程,优先检查下面几项:
-
ST-Link有没有插好 -
USB 线是不是只能供电不能传数据
-
驱动有没有装好
-
电脑有没有识别到下载器
-
下载器和目标板有没有共地
简单理解:
-
No ST-LINK detected更像是“电脑没看到下载器” -
连上下载器但识别不到芯片更像是“接线或芯片侧配置有问题”
一个实用排查顺序
如果后面再遇到烧录报错,可以按这个顺序排查:
-
先看
SYS -> Debug是否为Serial Wire -
再看
SWDIO、SWCLK、GND、VCC接线 -
再看电脑有没有识别到
ST-Link -
最后去 Keil 里把
Port设为SW,必要时把Connect改成under Reset
一句话记住:
烧录报错时,不要一上来就怀疑程序,先查 SYS 配置、接线、下载器识别,再去改下载设置。
本讲小结
这一讲最核心的内容有 4 个:
-
时钟配置决定系统能不能稳定运行
-
SYS里通常选Serial Wire -
Project Manager里的工程生成选项要提前固定好 -
ST-Link下载时先检查接线、供电和调试接口配置
一句话总结:
第三讲的目标,不是单纯把工程建出来,而是先建立一个后面能一直复用的 STM32 工程模板。