第一讲 零基础入门(一)
新建工程
1.打开keil新建工程,选择类型ATC52
2.点击魔术棒,生成hex文件
3.点击品字按钮,更名
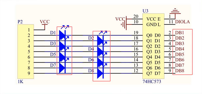
认识LED原理图
VCC代表1,Gnd是0,二极管在一端1 一端0的情况下才能导通,单片机控制Px,Px连接DBx,DBx的0或1直接控制二极管的亮灭
写一个程序使灯交替亮
1.在user添加新文件main.c
2.写好框架(注意:单片机程序是在死循环里执行的)
3.写程序
/*头文件区域*/
#include <REGX52.H>
/*main*/
void main ()
{
while(1)
{
P1=0x55;
}
}
/*头文件区域*/
#include <REGX52.H>
/*main*/
void main ()
{
while(1)
{
P1=0x55;
}
}
查看仿真效果
1.keil里点击build
2.打开仿真图,双击单片机
3.选择hex文件,开始仿真
4.结果发现效果相反,原因是最右边是第一个灯
修改代码
/*头文件区域*/
#include <REGX52.H>
/*main*/
void main ()
{
while(1)
{
P1=0xAA;
}
}
操作具体的引脚点亮某个灯
/*头文件区域*/
#include <REGX52.H>
/*main*/
void main ()
{
while(1)
{
P1_0=0;
P1_7=0;
}
}
LED灯闪烁
先用烧录软件生成延时函数
将该函数套进一个while循环里,实现任意时间的延时
/*头文件区域*/
#include <REGX52.H>
/*延时函数*/
void Delay(unsigned char xms) //@12.000MHz
{
unsigned char data i, j;
while(xms--)
{
i = 2;
j = 239;
do
{
while (--j);
} while (--i);
}
}
/*main*/
void main ()
{
while(1)
{
P1_0=0;
Delay(500);
P1_0=1;
Delay(300);
}
}
流水灯的实现
/*头文件区域*/
#include <REGX52.H>
#include <intrins.h>
/*延时函数*/
void Delay(unsigned char xms) //@12.000MHz
{
unsigned char data i, j;
while(xms--)
{
i = 2;
j = 239;
do
{
while (--j);
} while (--i);
}
}
/*变量声明区域*/
unsigned char ucLed=0xfe;
/*main*/
void main ()
{
while(1)
{
ucLed=_crol_(ucLed,1);
P1=ucLed;
Delay(100);
}
}
在该任务中认识到了位移函数
crol 循环左移 cror 循环右移 所属库:intrins.h
实现一个越来越快的流水灯
/*头文件区域*/
#include <REGX52.H>
#include <intrins.h>
/*延时函数*/
void Delay(unsigned char xms) //@12.000MHz
{
unsigned char data i, j;
while(xms--)
{
i = 2;
j = 239;
do
{
while (--j);
} while (--i);
}
}
/*变量声明区域*/
unsigned char ucLed=0xfe;
unsigned char time=1000;
/*main*/
void main ()
{
while(1)
{
ucLed=_crol_(ucLed,1);
P1=ucLed;
Delay(time);
time=time-100;
}
}



