第六周蓝桥杯大模板笔记
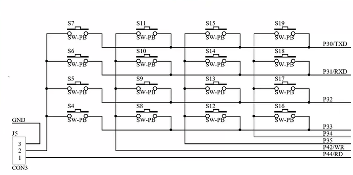
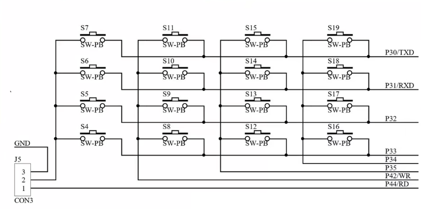
按键模块的讲解区分矩阵按键和单列的按键,如果是共用的按键,注意看控制开关连接的状态
数码管
分为共阴极数码管和共阳极数码管
共阳极数码管 尾巴全都是接在高电平上面的 1 ,如果要导通的话,要给后面全都写0,共阴极就是反过来的
所以共阳极就是输0亮,共阴极1 是亮
段码是如何推出来的
这个其实就是八个led灯,八个led灯组成的发光二极管
顺序就是
然后根据需要亮什么灭什么,是共阴极还是共阳极取01,按顺序写下来,转换成段码数码管
对比就是多了两个锁存器,那个是段选哪个是位选的锁存器呢?y7c abcdefg 都写在这里了,段选的锁存器
Y6C就是位选的锁存器.就多了一个
蓝桥杯有八个数码管
首先是对数码管消影
在这里采用的是段选消影,显示全灭
大模板框架
八个流程
初始化的底层是为了关闭蜂鸣器或者别的不需要用到的,大模板需要自己多敲
定时器中断和总中断需要自己加上去 ET0 = 1 EA = 1
中断
定时器,动态扫描,计时器,超声波单独定时器,串口也需要计时器,测量频率也要计时器,要用好多个
中断请求标志位,中断允许控制位
![]()
这个表对应的中断源和中断请求标志位,中断允许控制位都是需要会看的
外部中断
STC15系列单片机用户手册是需要过一遍,会看的
客观题也会从这里面出题的
定时器计数器
可以把以前的题目可以拿出来写一遍
换个模板敲一遍
建议过一遍用户手册











