13th第二次省赛.客观题笔记
赛项:单片机设计与开发(电子类)
届次:第十三届(2022年)省赛第二场
客观题满分:15分(共10题)
本套得分统计:5题
/ 5题
(答对第4、5、6、7、8题)
说明:经核实,本套客观题与同届EDA组第二场完全相同,两个赛项共用了这套题目。题9答案存在争议,见下方详述。
题目详解
题1 · 烧写文件格式 · 【多选】 ·
答错(你答:B,正确:BC)
题目: 通过下载软件,我们可以将哪些文件烧写进单片机( )
-
A.
.c -
B.
.hex
-
C.
.bin
-
D.
.uvprojx
正确答案:BC
详细解析:
-
.hex(Intel HEX格式):同时包含数据 + 地址信息,烧写时工具(如STC-ISP)可自动识别目标地址,无需手动指定。
-
.bin(Binary纯二进制):只包含纯机器码,不含地址,烧写时需要手动在工具中指定起始地址。也可以烧写进单片机。
-
.c:C语言源代码,只是给编译器看的文本文件,单片机无法直接执行。
-
.uvprojx:Keil MDK 的工程配置文件,不含可执行代码。
易错点: 题目含"哪些"→ 多选题!只选B漏掉了同样可烧写的.bin格式。
记忆技巧: 能烧进单片机的 = 编译完的机器码文件(hex/bin),源码和工程配置文件一律排除。
拓展知识 — STC-ISP烧写工具相关:
| 文件类型 | 含地址 | 能否烧写 | 说明 |
|---|---|---|---|
.hex |
STC-ISP默认支持,最常用 | ||
.bin |
纯二进制流 | ||
.c |
源代码 | ||
.uvprojx |
Keil工程文件 |
STC15F2K60S2使用STC-ISP烧写工具,支持从串口下载程序(ISP = In-System Programming)。
题2 · 可位寻址寄存器 · 【多选】 ·
答错(你答:AD,正确:AC)
题目: 在 IAP15F2K61S2 单片机中,可以位寻址的寄存器有( )
-
A. SCON

-
B. PCON
-
C. P4

-
D. AUXR
正确答案:AC
详细解析:
51系单片机SFR(特殊功能寄存器)位寻址规则:字节地址末位为 0 或 8 的 SFR,可以进行位寻址。
-
SCON(串口控制寄存器):地址 0x98,末位 = 8 →
可位寻址 -
P4(P4端口寄存器):地址 0xC0,末位 = 0 →
可位寻址 -
PCON(电源控制寄存器):地址 0x87,末位 = 7 →
不可位寻址 -
AUXR(辅助寄存器):地址 0x8E,末位 = E →
不可位寻址
易错点: AUXR 是蓝桥杯定时器/串口配置的常用寄存器,极易误认为"重要=可位寻址",但两者无关!D选AC而非AD!
记忆技巧: 末位 0 或 8 → 可位寻址。对照十六进制:0、8、10(A0)、18(B8)… 每隔8一个。
拓展知识 — STC15F2K60S2 常见SFR位寻址速查:
| 寄存器 | 地址 | 末位 | 可位寻址 | 用途 |
|---|---|---|---|---|
| P0 | 80H | 0 | IO口 | |
| TCON | 88H | 8 | 定时器控制 | |
| P1 | 90H | 0 | IO口 | |
| SCON | 98H | 8 | 串口控制 | |
| P2 | A0H | 0 | IO口(138译码器控制) | |
| IE | A8H | 8 | 中断使能 | |
| P3 | B0H | 0 | IO口 | |
| IP | B8H | 8 | 中断优先级 | |
| P4 | C0H | 0 | IO口 | |
| PCON | 87H | 7 | 电源控制 | |
| AUXR | 8EH | E | 定时器/串口辅助配置 | |
| CLK_DIV | 97H | 7 | 时钟分频 |
题3 · 完整电子电路设计方案 · 【多选】 ·
答错(你答:A,正确:ABCD)
题目: 一个完整的电子电路设计方案包括( )
-
A. 原理图与 PCB 设计

-
B. PCB 制板

-
C. 元器件焊接

-
D. 电路模块、整机调试

正确答案:ABCD(全选)
详细解析:
一个完整的电子电路设计方案涵盖从图纸到实物的全流程,四项缺一不可:
-
A:原理图(电路连接逻辑)+ PCB(物理布局)→ 设计阶段基础。
-
B:将PCB文件发厂制板 → 得到实体电路板。
-
C:将元器件焊接到PCB上 → 从空板变为完整电路。
-
D:上电测试各模块功能、整机联调 → 验证设计是否正确。
易错点: 看到"设计方案"很容易只想到A(画图)。但"完整方案"是工程概念,必须从设计一路到最终验证。
记忆技巧: 设计 → 制板 → 焊接 → 调试,四步缺一不可,就像做菜要备料→烹饪→摆盘→品尝。
拓展知识 — 硬件完整开发流程:
需求分析 → 方案论证 → 原理图设计 → PCB布局布线
→ 打样制板 → 元器件焊接 → 模块测试 → 整机联调 → 量产
蓝桥杯EDA/单片机赛项考察重点在原理图设计、PCB设计和整机调试环节。
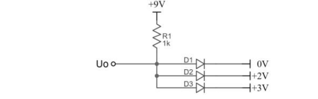
题4 · 理想二极管电路输出电压 · 【单选】 ·
答对
题目: 以下电路由理想二极管组成,输出电压 Uo 为( )
-
A. 0V

-
B. 2V
-
C. 3V
-
D. 9V
正确答案:A(0V)
详细解析:
电路中 D1、D2、D3 均为理想二极管(正向压降 = 0V),且其中有二极管的阳极/阴极接地。
理想二极管接地相当于输出节点直接被钳位到 0V,因此 Uo = 0V。
记忆技巧: 理想二极管 + 接地 = 输出被"短路"到地,Uo = 0V。这是二极管"与门"逻辑的核心。
拓展知识 — 二极管特性对比:
| 类型 | 正向压降 | 常见应用 |
|---|---|---|
| 理想二极管 | 0V | 理论分析 |
| 硅二极管(如1N4007) | ≈0.7V | 整流、保护 |
| 肖特基二极管 | ≈0.3V | 高速整流 |
| LED(红色) | ≈2V | 状态指示 |
| LED(蓝/白) | ≈3.3V | 状态指示 |
蓝桥杯实际电路:计算LED限流电阻必须用实际压降(约2V),不能用理想值0V!
公式:R = (VCC - VLED) / ILED,如 VCC=5V,VLED=2V,ILED=10mA,则 R = 300Ω。
题5 · 单片机程序存放位置 · 【单选】 ·
答对
题目: 单片机的应用程序一般存放于( )存储中
-
A. FLASH

-
B. SRAM
-
C. CPU
-
D. 寄存器
正确答案:A(FLASH)
详细解析:
-
FLASH:非易失性存储器,掉电数据不丢失。单片机程序(机器码)通过ISP烧写固化在FLASH中,上电后CPU直接从FLASH读取指令执行。

-
SRAM:易失性存储器,掉电即丢失,专门用于存放运行时的全局变量、局部变量、堆栈数据。

-
CPU:处理器核心,负责执行指令,本身不是存储单元。

-
寄存器:CPU内部极少量的临时存储(如累加器ACC、寄存器R0-R7),掉电即失,用于运算中间值。

记忆技巧: 程序 = FLASH(永久居住);数据 = SRAM(临时居住);寄存器 = CPU的草稿纸。
拓展知识 — STC15F2K60S2 存储器全貌:
| 存储器 | 容量 | 类型 | 用途 |
|---|---|---|---|
| FLASH(程序存储器) | 60KB | 非易失 | 存放用户程序代码 |
| SRAM(数据存储器) | 2KB | 易失 | 运行时变量、堆栈 |
| EEPROM(IAP区) | 约2KB | 非易失 | 掉电保存用户参数 |
| SFR(特殊功能寄存器) | 128字节 | 易失 | 控制片上外设 |
| 通用寄存器 R0-R7 | 8×4=32字节 | 易失 | CPU运算用 |
STC15F2K60S2 的 EEPROM 是用 FLASH 部分区域通过IAP技术(In-Application Programming)模拟的,不是独立EEPROM芯片!
题6 · 非易失存储器 · 【多选】 ·
答对
题目: 下列存储器中,属于非易失存储器的是( )
-
A. SRAM
-
B. EEPROM

-
C. NOR FLASH

-
D. DRAM
正确答案:BC
详细解析:
-
EEPROM:电可擦可编程只读存储器,掉电数据不丢失,可按字节随机读写,典型写入寿命约10万次。如 AT24C02(蓝桥杯常考I2C外设)。

-
NOR FLASH:掉电不丢失,支持随机字节读取,按扇区擦除,速度较快。单片机内部FLASH就是NOR型。

-
SRAM:静态RAM,供电时数据稳定但掉电丢失,属于易失存储器。

-
DRAM:动态RAM,需要周期性刷新保持数据,掉电丢失,电脑内存条使用此类型。

记忆技巧: 非易失 = ROM家族(FLASH、EEPROM、ROM);易失 = RAM家族(SRAM、DRAM)。记住"掉电不忘事"的都是非易失的。
拓展知识 — 存储器全家族对比:
| 存储器 | 易失性 | 读速度 | 写速度 | 典型用途 |
|---|---|---|---|---|
| SRAM | 易失 | 极快 | 极快 | 单片机运行内存 |
| DRAM | 易失 | 快 | 快 | 电脑内存条 |
| NOR FLASH | 非易失 | 中 | 慢(需擦除) | 单片机程序存储 |
| NAND FLASH | 非易失 | 快(大块) | 快(大块) | U盘、SSD、SD卡 |
| EEPROM | 非易失 | 慢 | 极慢 | 参数掉电保存 |
蓝桥杯相关:AT24C02是I2C接口的EEPROM,常考IIC时序(起始信号、停止信号、应答位),注意蓝桥杯板上AT24C02地址为 0xA0!
题7 · C语言逻辑"真" · 【多选】 ·
答对
题目: 下列选项,在 C 语言中表示逻辑"真"的是( )
-
A.
'\0' -
B.
0 -
C.
'0'
-
D.
1
正确答案:CD
详细解析:
C语言规则:非零 = 真,零 = 假。
-
'\0':转义字符,是字符串结束符,ASCII值 = 0 → 假。
-
0:整数零,直接为假。
-
'0':字符 ‘0’,ASCII值 = 48(十进制),非零 → 真。
-
1:整数1,非零 → 真。
超级易错点: '\0' 和 '0' 长相极似!
-
'\0'= 反斜杠+0,是转义序列,值为0,等同于 NULL 终止符,为假 -
'0'= 字符零,键盘上数字0对应的字符,ASCII=48,为真
记忆技巧: '\0' 里面有反斜杠就是转义,值=0为假;'0' 就是普通字符0,ASCII=48为真。
拓展知识 — C语言真假速查表:
| 表达式 | ASCII/值 | 逻辑 | 备注 |
|---|---|---|---|
0 |
0 | 假 | - |
'\0' |
0 | 假 | 字符串结束符 |
NULL |
0 | 假 | 空指针 |
0.0 |
0 | 假 | 浮点零 |
1 |
1 | 真 | - |
-1 |
-1 | 真 | 非零即真! |
'0' |
48 | 真 | 字符零 |
'a' |
97 | 真 | 任意非零字符 |
0.001 |
0.001 | 真 | 任意非零浮点 |
蓝桥杯按键检测常见写法:
if(!key) 代表按键为低电平有效(按下=0=假,取反=真),这是标准写法,要能熟练理解。
题8 · 放大电路截止频率 · 【单选】 ·
答对
题目: 放大电路的截止频率是指随频率变化,放大倍数下降到( )Am 对应的频率
-
A. 1/2
-
B. 1/3
-
C. 1/4
-
D. 0.707

正确答案:D(0.707)
详细解析:
截止频率的定义:当放大倍数从中频最大值 Am 下降到 0.707 × Am(即 1/√2 × Am)时,对应的频率称为截止频率(也叫 -3dB 频率)。
为什么是0.707?
功率 正比于 电压平方,所以电压降到0.707倍时:
功率 = (0.707 × Am)^2 / R = 0.5 × Am^2 / R = 一半功率
功率减半 = -3dB,故截止频率 = -3dB 点。
记忆技巧: 截止频率 = -3dB 点 = 0.707倍Am = 1/√2倍Am。背住"-3dB"等价于0.707。
拓展知识 — 放大器频率特性:
| 参数 | 说明 |
|---|---|
| 下限截止频率 fL | 低频端,放大倍数降至 0.707×Am 处 |
| 上限截止频率 fH | 高频端,放大倍数降至 0.707×Am 处 |
| 通频带 BW | BW = fH - fL,放大器正常工作频率范围 |
| -3dB点 | 与截止频率同义,功率下降一半 |
| 增益带宽积 GBW | 开环增益 × 带宽 = 常数(运放核心参数之一) |
蓝桥杯实际意义:PCF8591做ADC采样前,通常加RC低通滤波电路抗干扰,RC滤波的截止频率为 fc = 1 / (2π × R × C)。理解截止频率概念有助于选择合适的滤波参数。
题9 · 有源与无源滤波器区别 · 【多选】 ·
答错(你答:A,正确:AD)
题目: 有源滤波器和无源滤波器的区别( )
-
A. 是否需要电源

-
B. 电路中是否包含电阻
-
C. 电路中是否包含电容
-
D. 是否有增益

正确答案:AD
争议说明:iotword.com上一位参赛者只选了A,认为只有"是否需要电源"是区别。但从技术角度,"是否有增益(D)"同样是本质区别,嘉立创EDA官方文档给出的答案是AD。本小姐判定正确答案为AD。
详细解析:
-
A. 是否需要电源:有源滤波器含有源器件(如运算放大器),必须有供电电源;无源滤波器仅由R、L、C组成,不需要额外电源。
核心区别之一。 -
B. 是否含电阻:有源和无源滤波器都可能包含电阻,不是本质区别。

-
C. 是否含电容:同上,两者都可能用到电容,不是本质区别。

-
D. 是否有增益:有源滤波器内含放大器,可以对信号进行放大(增益>1);无源滤波器只能衰减信号,增益恒≤1。
核心区别之二。
易错点: 只选A不完整!"有增益"是有源滤波器最重要的功能特性,也是它与无源滤波器的本质差异。
记忆技巧: “有源"两个字体现了两个"有”:有电源 + 有增益;“无源"两个字体现了两个"无”:无需电源 + 无增益只有衰减。
拓展知识 — 有源vs无源滤波器详细对比:
| 特性 | 有源滤波器 | 无源滤波器 |
|---|---|---|
| 是否需要电源 | ||
| 是否有增益 | ||
| 核心器件 | 运放 + RC | 仅 R、L、C |
| 体积与成本 | 较大、成本较高 | 小巧、成本低 |
| 高频特性 | 受运放带宽限制 | 受元件寄生参数影响 |
| 带负载能力 | 强(运放输出阻抗低) | 弱(RC分压受负载影响) |
| 典型应用场景 | 音频处理、仪表信号调理 | 电源EMI滤波、PCF8591前端 |
蓝桥杯实际应用:PCF8591(模数转换)输入端通常加简单RC无源低通滤波器去除高频干扰。使用无源滤波器的原因:电路简单、不需要额外供电、成本低。
题10 · IAP15F2K61S2 主时钟输出分频 · 【多选】 ·
答错(你答:A,正确:ABC)
题目: IAP15F2K61S2 单片机的主时钟输出功能可以将单片机的主时钟( )对外输出
-
A. 不分频

-
B. 2分频

-
C. 4分频

-
D. 8分频
正确答案:ABC
详细解析:
根据 STC15系列用户手册 P207,时钟输出功能通过 CLK_DIV 寄存器(地址 0x97) 的 CLKODIV[1:0] 位控制,支持:
-
不分频(CLKODIV=00):直接输出主时钟(如12MHz→12MHz)

-
2分频(CLKODIV=01):输出主时钟/2(如12MHz→6MHz)

-
4分频(CLKODIV=10):输出主时钟/4(如12MHz→3MHz)

-
8分频:此芯片不支持8分频对外输出!

时钟对外输出引脚为 P5.4(CLKOUT0)。
易错点: 看到1/2/4分频,思维惯性认为下一个应该是8分频(2的幂次序列),但该芯片规格只到4分频!以数据手册为准!
记忆技巧: STC15 时钟输出只有 1倍、1/2、1/4 三档,没有1/8档,最大分频比是4。
拓展知识 — STC15F2K60S2 时钟系统(蓝桥杯高频考点):
| 知识点 | 说明 |
|---|---|
| 主时钟来源 | 内部高精度IRC振荡器 / 外部晶振(可选) |
| 竞赛板工作频率 | 12MHz(蓝桥杯官方竞赛板默认) |
| 架构类型 | 1T架构(1个时钟周期=1个机器周期,比传统51快12倍!) |
| 时钟输出引脚 | P5.4(CLKOUT0) |
| 时钟分频寄存器 | CLK_DIV(地址0x97H),CLKODIV[1:0]控制分频 |
| 1ms定时配置 | 12MHz,定时器0,模式0(16位),初值装载65536-12000=53536 |
重要! STC15F2K60S2 是 1T架构(一个机器周期只需1个时钟周期)!
-
传统AT89C51 = 12T架构(12个时钟周期才执行一条指令)
-
STC15F2K60S2 = 1T架构(1个时钟周期执行一条指令)
-
同样12MHz晶振,STC15实际运算速度是传统51的12倍!
-
定时器参数计算时必须注意架构差异!
速查卡 — 本套题核心知识汇总
单片机存储体系速查
| 存储器 | 易失性 | 容量(STC15F2K60S2) | 用途 |
|---|---|---|---|
| FLASH | 非易失 | 60KB | 程序代码 |
| SRAM | 易失 | 2KB | 运行时数据 |
| EEPROM(IAP) | 非易失 | 约2KB | 掉电保存参数 |
| NOR FLASH | 非易失 | - | 单片机FLASH类型 |
| SRAM | 易失 | - | 运行内存 |
| DRAM | 易失 | - | 电脑内存条 |
烧写文件格式速查
| 格式 | 含地址 | 能否烧写 | 说明 |
|---|---|---|---|
.hex |
STC-ISP首选格式 | ||
.bin |
纯二进制 | ||
.c |
C源代码 | ||
.uvprojx |
Keil工程文件 |
SFR位寻址判断规则
字节地址末位为 0 或 8 → 可位寻址
-
可位寻址:P0(80H)、TCON(88H)、P1(90H)、SCON(98H)、P2(A0H)、IE(A8H)、P3(B0H)、IP(B8H)、P4(C0H) -
不可位寻址:PCON(87H)、AUXR(8EH)、CLK_DIV(97H)
有源vs无源滤波器
| 有源 | 无源 | |
|---|---|---|
| 需要电源 | ||
| 增益 | ||
| 核心器件 | 运放+RC | R/L/C |
主时钟对外输出分频(IAP15F2K61S2 / STC15F2K60S2)
| 分频比 | 是否支持 |
|---|---|
| 不分频(×1) | |
| 2分频(×1/2) | |
| 4分频(×1/4) | |
| 8分频(×1/8) |
C语言逻辑真假速查
| 值 | 逻辑 | 注意 |
|---|---|---|
0 |
假 | - |
'\0' |
假 | |
NULL |
假 | - |
1 |
真 | - |
-1 |
真 | |
'0' |
真 | |
'a' |
真 | ASCII=97 |
截止频率关键数值
| 参数 | 数值 | 等价表达 |
|---|---|---|
| 截止频率倍数 | 0.707 | = 1/√2 |
| 对应功率变化 | 下降到1/2 | -3dB点 |
| RC低通截止频率 | fc | = 1 / (2π×R×C) |
二极管正向压降速查
| 类型 | 正向压降 |
|---|---|
| 理想二极管 | 0V(仅理论) |
| 硅二极管 | ≈0.7V |
| 肖特基二极管 | ≈0.3V |
| LED(红/黄) | ≈2V |
| LED(蓝/白) | ≈3.3V |
本套错题重点复习提示(5题答错):
题1:含"哪些"是多选,.bin也可以烧写,不能只选.hex
题2:记住AUXR地址末位=E,不可位寻址;P4地址=C0H末位0,可以
题3:“完整方案”= 设计+制板+焊接+调试,全选ABCD
题9:有源vs无源区别有两点:有无电源 + 有无增益(AD),A一个不够
题10:STC15时钟输出最多4分频,没有8分频,选ABC不选D
笔记整理:蓝桥杯第十三届(2022年)省赛第二场 · 单片机设计与开发赛项
题9答案存在争议,本笔记采用技术更严谨的AD作为正确答案
