10th省赛.客观题笔记
赛届:2019年 第10届 省赛
题型:不定项选择(共10题,30分)
本笔记独立判题 + 与用户答案对比,标注得失分点
答题总览
| 题号 | 主题 | 题型 | 正确答案 | 你的答案 | 结果 |
|---|---|---|---|---|---|
| 1 | 二极管输出电压 | 单选 | B | B | |
| 2 | MCS-51 P2口扩展功能 | 单选 | C | B | |
| 3 | 定时器数量与工作模式 | 单选 | B | B | |
| 4 | 存储器容量计算 | 单选 | D | C | |
| 5 | 三角波转矩形波 | 单选 | D | D | |
| 6 | 寄存器与定时器模式无关项 | 多选 | ABCD | D | |
| 7 | 放大电路输出电阻 | 单选 | D | D | |
| 8 | 三极管不能正常工作的情况 | 多选 | BC | B | |
| 9 | 反相加法器输出电压 | 单选 | D | D | |
| 10 | 综合判断正确说法 | 多选 | ABD | ABD |
得分估算: 6题全对 + 2题部分分(Q6/Q8多选漏选)+ 2题完全错误(Q2/Q4)
详细题目解析
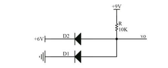
第1题 | 二极管最低电位钳位 | 单选 |
答对(你的答案 B,正确答案 B)
题目: 如图所示的电路图,若二极管的导通电压为0.7V,可求得输出电压V0为( )。
电路结构:+9V 经电阻 10K 接 V0,D2 阳极接 +6V、阴极接 V0,D1 阴极接 V0、阳极接地(0V)。
-
A、9V
-
B、0.7V

-
C、6.7V
-
D、0.35V
正确答案:B(0.7V)
答案说明:
D1 的阳极接地(0V),阴极接 V0。只要 V0 > 0.7V,D1 就会导通,把 V0 钳位在 0.7V(即 D1 压降)。
详细解析:
-
D1 阳极 = 0V,若 V0 试图升高,当 V0 > 0.7V 时 D1 导通
-
D1 导通后 V0 = 0V + 0.7V = 0.7V
-
此时 D2 阳极 = 6V,阴极 = 0.7V,D2 也导通,但 V0 已被 D1 钳位
-
只有 D1 和 D2 同时接 6V(阳极均为 6V)时,V0 才为 6.7V(A 选项不对,因为是 +9V 电源而非两管同接 6V)
记忆技巧: 二极管与或门电路,低电位优先,V0 = 所有阳极电位中最低的那个 + 0.7V。这里 D1 阳极 = 0V,故 V0 = 0.7V。
拓展知识:
-
二极管正向压降:硅管约 0.7V,锗管约 0.3V(蓝桥杯默认硅管)
-
二极管"或门":多个二极管阴极相连,输出为各输入中最高电位 + 压降
-
二极管"与门":多个二极管阳极相连,输出为各输入中最低电位 − 压降
-
D 选项 0.35V ≈ 0.7V/2,是干扰项,没有物理意义
第2题 | MCS-51 P2口扩展外部存储器 | 单选 |
答错(你的答案 B,正确答案 C)
题目: 当MSC-51单片机扩展外部存储器时,P2口可作为( )。
-
A、8位数据输入口
-
B、8位数据输出口
-
C、输出高8位地址

-
D、输出低8位地址
正确答案:C(输出高8位地址)
答案说明:
MCS-51 使用 16 位地址总线访问外部存储器,P2 口负责传输高 8 位地址,P0 口负责传输低 8 位地址,同时 P0 口还复用为 8 位数据总线。
详细解析:
-
P0 口:低 8 位地址(A0~A7)+ 8 位数据(D0~D7)→ 复用口,需配合 ALE 信号和锁存器 74HC373 分时复用
-
P2 口:高 8 位地址(A8~A15)→ 专用高地址口
-
A 选项错:P0 才是数据口,且 P0 是双向的(输入/输出),B 说"仅输出"也不准确
-
你的答案 B(8位数据输出口)是 P0 的功能,而非 P2 的功能!
记忆技巧:
P0 = 低8位地址 + 数据(复用,需锁存器)
P2 = 高8位地址(独立)
P1 = 通用 I/O
P3 = 第二功能(串口、中断、定时等)
拓展知识:
-
74HC373 锁存器:ALE 高电平时透明(锁存地址),ALE 下降沿锁存低8位地址,之后 P0 才能传数据
-
16位地址可寻址空间:2^16 = 64KB 外部程序存储器(MOVC)+ 64KB 外部数据存储器(MOVX)
-
STC15F2K60S2 取消了 ALE 引脚,不支持传统总线扩展,直接用 SPI/I2C 扩展外设
第3题 | IAP15F2K61S2 定时器数量与工作模式 | 单选 |
答对(你的答案 B,正确答案 B)
题目: IAP15F2K61S2单片机内部有( )个定时/计数器,工作模式最少的是( )。
-
A、3,定时器0
-
B、3,定时器2

-
C、4,定时器1
-
D、4,定时器2
正确答案:B(3个,定时器2工作模式最少)
答案说明:
IAP15F2K61S2(即 STC15 系列)内部有 3 个定时/计数器(T0、T1、T2),其中定时器2只有1种工作模式,工作模式数量最少。
详细解析:
| 定时器 | 工作模式数量 |
|---|---|
| 定时器0 | 4种(模式0/1/2/3) |
| 定时器1 | 3种(模式0/1/2,无模式3) |
| 定时器2 | 1种(仅16位自动重装模式) |
-
C/D 选项说"4个"是错的,STC15 系列有3个定时器(部分高端型号有5个但该型号没有) -
定时器2 不由 TMOD 控制,有专用寄存器 T2MOD(或通过 AUXR 配置)
记忆技巧: T0 > T1 > T2,模式数量递减:4 → 3 → 1
拓展知识:
-
定时器0 模式3 特殊:T0 分裂成两个 8 位定时器(TL0 和 TH0),同时 T1 的 TR1/TF1 被 T0 借用
-
定时器2 在 STC15 中常用于:串口波特率发生器、时钟输出(CLKOUT2)
-
AUXR 寄存器控制定时器速度:T0x12/T1x12/T2x12 位置1时,定时器以系统时钟(不分频)计数,置0时以系统时钟/12计数(传统51兼容模式)
第4题 | 存储器容量计算 | 单选 |
答错(你的答案 C,正确答案 D)
题目: 某存储芯片的地址线为12根,数据线16根,它的存储容量为( )。
-
A、1KB
-
B、2KB
-
C、4KB
-
D、8KB

正确答案:D(8KB)
答案说明:
存储容量 = 寻址范围 × 数据宽度 = 2^12 × 16bit = 4K × 16bit = 64Kbit = 8KB
详细解析:
-
12根地址线 → 2^12 = 4096 = 4K 个存储单元
-
16根数据线 → 每个存储单元宽度 = 16bit = 2Byte
-
总容量 = 4K 个单元 × 2Byte/单元 = 8KB
-
你的答案 C(4KB)是只计算了地址线(4K个单元)忘记乘数据宽度(16bit=2Byte)!
记忆技巧:
存储容量计算公式:
总容量 = 2^地址线数 × 数据线数 / 8(转换为字节)
= 2^12 × 16 / 8 = 4096 × 2 = 8192 Byte = 8KB
拓展知识:
-
常见换算:1KB = 1024B = 8192bit,1MB = 1024KB
-
例:AT24C02(I2C EEPROM)= 2Kbit = 256Byte(8根地址线,8位数据线)
-
例:一块 64KB ROM:需要 16 根地址线(2^16 = 65536),8 根数据线
-
注意区分"位(bit)“和"字节(Byte)”,题目说"数据线"即每次读写的位数,还需除以8转换成字节
第5题 | 三角波转矩形波 | 单选 |
答对(你的答案 D,正确答案 D)
题目: 将三角波转换为矩形波,需选用( )。
-
A、多谐振荡器
-
B、双稳态触发器
-
C、单稳态触发器
-
D、施密特触发器

正确答案:D(施密特触发器)
答案说明:
施密特触发器(Schmitt Trigger)具有迟滞特性(两个不同的翻转阈值),可将任意缓变波形(三角波、正弦波)整形为矩形波。
详细解析:
各选项功能:
| 电路 | 功能 | 备注 |
|---|---|---|
| 多谐振荡器 | 产生矩形波 | 自激振荡,不需要外部输入 |
| 双稳态触发器 | 存储0/1状态 | 需外部触发才能翻转,即 RS/D/JK 触发器 |
| 单稳态触发器 | 定时脉冲 | 触发后维持暂稳态一段时间后自动恢复 |
| 施密特触发器 | 整形波形 | 输入缓变信号 → 输出陡沿矩形波 |
记忆技巧:
-
产生矩形波 → 多谐振荡器(自己产生)
-
整形成矩形波 → 施密特触发器(输入波形→输出方波)
-
定时脉冲 → 单稳态触发器
-
记忆状态 → 双稳态触发器
拓展知识:
-
施密特触发器有两个阈值:上升阈值 V_T+ 和下降阈值 V_T-,差值称为回差(迟滞)电压
-
回差电压 = V_T+ − V_T-,回差越大抗干扰能力越强
-
STC15 单片机 I/O 口内置施密特触发器,可提高数字输入的抗干扰能力
-
74HC14:常见的反向施密特触发器芯片(6路),蓝桥杯硬件设计中偶尔会考
第6题 | 与定时器工作模式配置无关的寄存器 | 多选 |
答错(你的答案 D,正确答案 ABCD)
题目: 在IAP15F2K61S2单片机中,下列寄存器与定时器工作模式配置无关的是( )。
-
A、AUXR

-
B、SCON

-
C、TCON

-
D、PCON

正确答案:ABCD(全部与定时器工作模式无关)
答案说明:
题目问的是"与工作模式配置无关"——定时器工作模式由专用寄存器 TMOD 控制,而 AUXR、SCON、TCON、PCON 都不配置定时器工作模式,因此四个选项全部正确。
详细解析:
| 寄存器 | 实际功能 | 与定时器模式的关系 |
|---|---|---|
| TMOD | 定时器工作模式寄存器 | |
| AUXR | 辅助寄存器(T0x12/T1x12/T2R等) | |
| SCON | 串口控制寄存器 | |
| TCON | 定时器控制寄存器(TR0/TF0等) | |
| PCON | 电源控制寄存器(SMOD等) |
-
关键陷阱:TCON(定时器"控制"寄存器)不等于"定时器模式"寄存器! -
TCON 的功能是:TR0/TR1(启动停止)、TF0/TF1(溢出标志),不配置工作模式
-
你只选了 D(PCON),漏了 A/B/C,本题是不定项多选!
记忆技巧:
定时器模式 → TMOD(唯一!)
定时器控制 → TCON(TR/TF)
定时器速度 → AUXR(T0x12/T1x12)
串口相关 → SCON(串口)、PCON(SMOD波特率倍增)
拓展知识:
-
AUXR 重要位:
-
T0x12:T0 速度 = Fosc(1T模式)
-
T1x12:T1 速度 = Fosc(1T模式)
-
T2R:定时器2运行控制
-
UART_M0x6:串口0在模式0时速度
-
-
STC15 对比传统51,TMOD 的 GATE 位功能相同,M0/M1 决定4种工作模式
第7题 | 放大电路输出电阻 | 单选 |
答对(你的答案 D,正确答案 D)
题目: 放大电路在负载开路时的输出为0.4V,接入3K的电阻负载后,输出的电压降为0.3V,则该放大电路的输出电阻为( )。
-
A、10K
-
B、2K
-
C、3K
-
D、1K

正确答案:D(1K)
答案说明:
可将放大电路等效为一个电压源 + 内阻(输出电阻)的串联模型,用欧姆定律求解。
详细解析:
等效电路:V_oc(开路电压)→ Rout(输出电阻)→ RL(负载)
步骤:
-
开路电压:V_oc = 0.4V
-
接3K负载后输出:V_L = 0.3V
-
输出电阻上的电压降:V_Rout = 0.4V − 0.3V = 0.1V
-
流过负载的电流:I = 0.3V / 3K = 0.1mA
-
输出电阻:Rout = 0.1V / 0.1mA = 1K
记忆技巧: 分压公式:V_L = V_oc × RL / (RL + Rout),代入:0.3 = 0.4 × 3K / (3K + Rout) → Rout = 1K ✓
拓展知识:
-
理想放大器:输出电阻 Rout = 0(负载变化不影响输出)
-
理想运放特性:无穷大输入阻抗、零输出阻抗、无穷大开环增益
-
输出电阻越小,带负载能力越强(越接近理想电压源) -
对应蓝桥杯:PCF8591 DAC 输出也有内阻,接过小的负载会导致输出电压偏低
第8题 | 三极管极限参数越界判断 | 多选 |
答错(你的答案 B,正确答案 BC)
题目: 某放大电路中使用的三极管的极限参数为 PCM = 100mW,ICM = 20mA,U(BR)CEO = 15V。以下哪些情况下,三极管不能正常工作( )。
-
A、UCE = 3V,IC = 15mA
-
B、UCE = 3V,IC = 40mA

-
C、UCE = 6V,IC = 20mA

-
D、UCE = 9V,IC = 10mA
正确答案:BC(B和C均超出极限)
答案说明:
三极管有三个极限参数,任意一个超出则不能正常工作(会损坏):
-
ICM:集电极最大允许电流
-
PCM:集电极最大允许耗散功率(= UCE × IC)
-
U(BR)CEO:集电极-发射极击穿电压
详细解析:
| 选项 | UCE | IC | 功率 UCE×IC | 超限判断 |
|---|---|---|---|---|
| A | 3V | 15mA | 45mW | IC=15mA<20mA ✓,P=45mW<100mW ✓ → 正常 |
| B | 3V | 40mA | 120mW | IC=40mA > ICM=20mA |
| C | 6V | 20mA | 120mW | IC=20mA=ICM(临界值),但 P=120mW > PCM=100mW |
| D | 9V | 10mA | 90mW | IC=10mA<20mA ✓,P=90mW<100mW ✓,UCE=9V<15V ✓ → 正常 |
-
C 选项 IC = ICM = 20mA,表面上没超过电流极限,但功率 120mW > 100mW,依然会损坏! -
你只选了 B,漏掉了 C!注意"哪些"是多选题!
记忆技巧: 三极管三条"红线"——电流不能超 ICM、功率不能超 PCM、电压不能超 U(BR)CEO,触一条死一条。
拓展知识:
-
安全工作区(SOA):UCE-IC 平面中,由 ICM、PCM 双曲线、U(BR)CEO 围成的安全区域
-
PCM 降额使用:实际设计取额定值的 70% 以下,以保证可靠性
-
与 PCM 对应的另一个参数:PD(整机耗散功率),注意区分集电结和整体耗散
第9题 | 反相加法器输出电压计算 | 单选 |
答对(你的答案 D,正确答案 D)
题目: 电路如图所示,U1 = 0.4V,U2 = 0.8V,计算输出电压U0的值为( )。
电路:U1经R1=20K、U2经R3=20K接运放反相端,R2=30K为反馈电阻,同相端经R4=10K接地,运放由±6V供电。
-
A、1.2V
-
B、-1.2V
-
C、-6V
-
D、-1.8V

正确答案:D(-1.8V)
答案说明:
反相加法器公式:U0 = −R2 × (U1/R1 + U2/R3)
详细解析:
代入数值:
-
U0 = −30K × (0.4V/20K + 0.8V/20K)
-
U0 = −30K × (0.02mA + 0.04mA)
-
U0 = −30K × 0.06mA
-
U0 = −1.8V ✓
验证:在 ±6V 供电范围内,输出正常(未饱和)。
记忆技巧: 反相加法器公式:
U0 = −Rf × (U1/R1 + U2/R2 + ...)
关键:有负号(反相),每路输入单独计算再叠加。
拓展知识:
-
同相加法器:信号接到同相端,输出与输入同相,增益不同
-
差分放大器(减法器):U0 = (Rf/R1) × (U2 − U1),用于信号差值提取
-
积分器:反馈元件换成电容C,U0 = −(1/RC) × ∫U1 dt
-
微分器:输入端元件换成电容C,U0 = −RC × dU1/dt
-
蓝桥杯历届考过:加法器(第8届、第10届)、差分放大器,必须掌握!
第10题 | 综合知识点判断 | 多选 |
答对(你的答案 ABD,正确答案 ABD)
题目: 下列说法中正确的是( )。
-
A、IAP15F2K61S2单片机可以通过串口实现在线仿真功能。

-
B、单片机竞赛板在IO和MM模式下,均可实现对数码管和LED指示灯的分别操作,互不影响。

-
C、对DS1302进行单字节写操作时,数据在时钟线SCLK下降沿写入DS1302。
-
D、I2C总线的启动信号和停止信号,只能由主器件发起。

正确答案:ABD
答案说明:
C 项错误:DS1302 数据在 SCLK 上升沿写入,在 SCLK 下降沿读出(与 I2C/SPI 时序不同,需特别记忆)。
详细解析:
A 正确: IAP(In-Application Programming)前缀表明支持串口在线仿真/编程,用 STC-ISP 软件通过 UART 即可下载程序并仿真。
B 正确: 蓝桥杯竞赛板(CT107D)电路中:
-
IO 模式(P2^2=0):直接操作 I/O 口
-
MM 模式(P2^2=1):通过 74HC138 译码器选通 LED/数码管
-
两种模式下,LED(Y4/P2^4=1)和数码管(Y6/P2^6=1,Y7/P2^7=1)各自独立,互不干扰
C 错误:
DS1302 时序:
-
写入:SCLK 上升沿数据被 DS1302 采样锁存
-
读出:SCLK 下降沿DS1302 输出数据到数据线
D 正确: I2C 总线规范规定,START(起始)和 STOP(停止)信号只能由**主机(Master)**发送,从机只能响应。
记忆技巧(DS1302时序):
DS1302:上升沿写,下降沿读
I2C: SCL高电平期间SDA下降 = START;SCL高期间SDA上升 = STOP
SPI: 看 CPOL/CPHA 配置
拓展知识:
- I2C vs DS1302 vs SPI 时序对比:
| 特性 | I2C | DS1302(SPI-like) | SPI |
|---|---|---|---|
| 总线类型 | 2线 | 3线 | 4线 |
| 时钟 | SCL | SCLK | SCK |
| 数据 | SDA(双向) | IO(双向) | MOSI/MISO |
| 起始停止 | 主机发 | N/A | CS片选 |
| 写入沿 | 上升沿 | 上升沿 | 取决于CPOL/CPHA |
| 读出沿 | 上升沿后保持 | 下降沿 | 取决于CPOL/CPHA |
-
DS1302 还支持Burst模式(连续读写多字节),提高传输效率
-
I2C 地址:7位地址 + 1位读写位 = 8位寻址,最多挂 128 个从机
核心知识点速查卡
汇总本套题涉及的所有核心考点,考前快速过一遍!
模拟电路
| 知识点 | 核心记忆 |
|---|---|
| 二极管压降 | 硅管 0.7V,锗管 0.3V |
| 二极管最低电位钳位 | V_out = 最低阳极电位 + 0.7V |
| 放大器输出电阻 | Rout = (V_oc − V_L) / (V_L / R_L) |
| 三极管极限参数 | ICM(最大电流)、PCM(最大功率)、U(BR)CEO(击穿电压),三条红线 |
| 反相加法器公式 | U0 = −Rf × (U1/R1 + U2/R2),负号不能忘! |
数字电路
| 知识点 | 核心记忆 |
|---|---|
| 施密特触发器 | 将缓变波形整形为矩形波,具有迟滞特性 |
| 多谐振荡器 | 自激产生矩形波,不需外部输入 |
| 单稳态触发器 | 触发后暂稳一段时间,用于定时脉冲 |
| 双稳态触发器 | 即 RS/D/JK 触发器,两个稳态,有记忆 |
存储器
| 知识点 | 核心记忆 |
|---|---|
| 存储容量公式 | 2^地址线数 × 数据线数 / 8(字节) |
| MCS-51 地址分配 | P0=低8位地址+数据(复用),P2=高8位地址 |
| ALE信号 | 锁存低8位地址,区分地址和数据 |
STC15 定时器
| 知识点 | 核心记忆 |
|---|---|
| 定时器数量 | T0/T1/T2 共 3个 |
| 模式数量 | T0=4种,T1=3种,T2=1种(最少) |
| 模式配置寄存器 | TMOD(唯一!) |
| 速度控制 | AUXR 的 T0x12/T1x12/T2x12 |
| TCON 功能 | TR0/TR1启停,TF0/TF1溢出标志,不管模式 |
| PCON 功能 | 电源管理 + SMOD串口波特率倍增 |
通信协议
| 协议 | 写入沿 | 读出沿 | 起止信号 |
|---|---|---|---|
| I2C | 上升沿 | 上升沿 | 主机发起 START/STOP |
| DS1302 | CE片选 | ||
| SPI | 取决于CPOL/CPHA | 取决于CPOL/CPHA | CS片选 |
蓝桥杯竞赛板特有知识
| 知识点 | 核心记忆 |
|---|---|
| IAP 在线仿真 | STC15 系列通过 串口 实现在线仿真下载 |
| IO/MM 模式 | 两种模式下 LED 和数码管操作互不影响 |
| 74HC138 译码器 | Y4=LED,Y6=数码管段选,Y7=数码管位选 |

