12th国赛.客观题笔记
整理日期:2026-03-20
题型:不定项选择(3 分 / 题,共 8 题,合计 24 分)
本套题方向:MCS-51 中断优先级、电路节点电流、多级放大电路、闭环与触发器、DS18B20、STC15 ADC 前端、IAP15F2K61S2 特性
成绩总览
| 题号 | 主题 | 题型 | 正确答案 | 你的答案 | 结果 |
|---|---|---|---|---|---|
| 1 | MCS-51 同级中断响应优先级 | 单选 | B | C | |
| 2 | 节点电流方向与 KCL | 单选 | D | D | |
| 3 | 多级放大电路基本结论 | 多选 | BC | ABC | |
| 4 | 放大器闭环工作状态 | 单选 | B | B | |
| 5 | 触发器的保持特性 | 单选 | D | D | |
| 6 | DS18B20 特性判断 | 多选 | ACD | ABCD | |
| 7 | ADC 采样前端偏小优化 | 单选 | A | D | |
| 8 | IAP15F2K61S2 芯片特性 | 单选 | B | BCD |
答对:3 题(9 分)
答错:5 题(0 分) 得分率:37.5%
题目详解
第(1)题 · MCS-51 同级中断响应优先级 · 单选 ·
答错(你选 C,正确答案 B)
题目:
在 MCS51 单片机中,若下列中断源都编程为同级,当它们同时发生中断时,单片机首先响应的是()。
选项:
-
A. 串口
-
B. 定时器0

-
C. 外部中断1
-
D. 上述三个中断源可以被同时响应
正确答案:B(定时器0)
解析:
MCS-51 在同一优先级内部,还存在一个固定的自然优先次序:
INT0 > T0 > INT1 > T1 > 串口
本题给出的三个中断源分别是:
-
串口
-
定时器0
-
外部中断1
按固定次序比较:
-
定时器0 的优先级高于外部中断1
-
外部中断1 的优先级高于串口
所以首先响应的一定是 定时器0。
各选项判断:
-
A
串口在这三者里优先级最低 -
B
定时器0最高 -
C
外部中断1排在定时器0后面 -
D
8051 不能“同时响应”多个中断,只能按优先级逐个响应
易错点: “同级”不等于“完全并列”。同级时仍然要按硬件固定查询顺序决定先响应谁。
记忆技巧:
“外0、定0、外1、定1、串口”
也就是:INT0 > T0 > INT1 > T1 > UART
拓展知识——STC15 的中断优先级别更复杂:
-
传统 8051 只有 2 级优先级
-
STC15 系列扩展为 4 级优先级
-
但同一级内部,中断源之间依然有固定次序,不是随便抢答
-
蓝桥杯里常把“优先级级别”和“同级查询次序”混着考,别被绕进去啦

第(2)题 · 节点电流方向与 KCL · 单选 ·
答对
题目:
某电路节点在某个时刻的电流状态如下图所示,则推断 i3 的值为()。
选项:
-
A. 1
-
B. -2.5
-
C. 2.5
-
D. 3.5

正确答案:D(3.5)
解析:
根据基尔霍夫电流定律 KCL:
流入节点的电流和 = 流出节点的电流和
已知流出节点的电流总和为:
1 + 2 + 0.5 = 3.5
因此必须有:
i3 = 3.5
因为图中 i3 的参考箭头本来就是流入节点,所以结果直接为 +3.5,对应选项 D。
各选项判断:
-
A
少算了一个支路 -
B
把方向和符号关系搞反了 -
C
仍然不满足节点电流守恒 -
D
满足 KCL,且与箭头方向一致
易错点: 带负号的电流值,表示“实际方向与图中箭头相反”,不是“电流消失了”。
记忆技巧:
先统一方向,再列 KCL。
不要上来就直接把数字相加减,先问自己一句:它到底是流入还是流出?
拓展知识——蓝桥杯里常见的“符号坑”:
-
电流、电压、增益这类题,常先给一个“参考方向”
-
算出来为负,不代表错,表示“方向反了”
-
串口波形、运放输入输出、ADC 左右对齐,也经常考这种“参考定义”和“实际结果”的区别

第(3)题 · 多级放大电路基本结论 · 多选 ·
答错(你选 ABC,正确答案 BC)
题目:
下列关于多级放大电路的说法中,正确的是()。
选项:
-
A. AU 为各级放大电路之和
-
B. RI 为输入级的输入电阻

-
C. RO 为输出级的输出电阻

-
D. 以上说法均不正确
正确答案:B、C
解析:
先看各个量的定义:
-
AU:总电压增益
-
RI:总输入电阻
-
RO:总输出电阻
逐项判断:
A
错误
多级放大电路的总电压增益,在倍数表示下应为:
AU = AU1 × AU2 × AU3 × …
不是“相加”。
只有在 dB 表示时,才可以写成:
总增益(dB) = 各级增益(dB)之和
B
正确
对整个多级放大器来说,输入端看到的是第一级输入端,因此总输入电阻通常就是输入级的输入电阻。
C
正确
对整个多级放大器来说,输出端看到的是最后一级输出端,因此总输出电阻通常就是输出级的输出电阻。
D
错误
因为 B、C 都对,所以“以上说法均不正确”明显不成立。
易错点:
“总增益”容易记成相加,其实:
-
倍数形式:相乘
-
dB 形式:相加
记忆技巧:
“阻抗看两头,增益看链路。”
RI 看最前级,RO 看最后级,AU 看所有级联一起作用。
拓展知识——多级放大电路另一个高频考点:
-
总增益会上去
-
但通频带会变窄
-
前后级之间还会有负载效应,导致实际增益低于理想乘积
蓝桥杯虽然主战场是单片机,但这类模电基础客观题每年都爱来戳一下你的小脑袋 ![]()
第(4)题 · 放大器闭环工作状态 · 单选 ·
答对
题目:
放大器的闭环工作状态是指()。
选项:
-
A. 有负载接入
-
B. 有反馈通路

-
C. 无反馈通路
-
D. 无负载接入
正确答案:B(有反馈通路)
解析:
“闭环”这个词的核心,不是有没有负载,而是反馈回路有没有闭合。
-
开环:无反馈通路
-
闭环:有反馈通路
所以:
-
A
有负载不等于闭环 -
B
有反馈通路才叫闭环 -
C
这是开环定义 -
D
有无负载和闭环定义不是一回事
易错点: 开环/闭环是“反馈”的概念,不是“负载”的概念。
记忆技巧:
“闭环”就是反馈回来了,环路闭上了。
看到“闭环”先想“反馈”,别想“负载”。
拓展知识——负反馈的经典作用:
-
稳定增益

-
减小失真

-
改善线性

-
一般可扩展带宽

-
但增益通常会降低

这个逻辑在运放、电源环路、温控闭环里都是一套思路。
第(5)题 · 触发器的保持特性 · 单选 ·
答对
题目:
触发器在触发脉冲消失后,输出状态()。
选项:
-
A. 随脉冲一起消失
-
B. 恢复原状态
-
C. 状态反转
-
D. 保持现状态

正确答案:D(保持现状态)
解析:
触发器本质上是具有记忆功能的基本时序逻辑单元。
触发脉冲的作用,是让它在某个时刻完成状态更新;一旦更新完成,哪怕触发脉冲消失,触发器也会继续保持新的输出状态,直到下一次有效触发到来。
所以:
-
A
这更像组合逻辑,不符合触发器记忆特性 -
B
触发后不会自动恢复原状态 -
C
是否反转取决于触发器类型和输入条件,不是普遍结论 -
D
触发后保持现状态,才是核心特征
易错点: 不要把“触发脉冲消失”理解成“输出也没了”。触发器最值钱的地方就是它会记住。
记忆技巧:
触发器 = 会“记仇”的电路。
你改了它一次,它就会一直记着,直到下一次再改。
拓展知识——时序逻辑和组合逻辑怎么秒分:
-
组合逻辑:输出只看当前输入
-
时序逻辑:输出看“当前输入 + 过去状态”
常见时序逻辑:
-
触发器
-
寄存器
-
计数器
常见组合逻辑:
-
译码器
-
编码器
-
多路选择器
第(6)题 · DS18B20 特性判断 · 多选 ·
答错(你选 ABCD,正确答案 ACD)
题目:
下列关于 DS18B20 温度传感器的说法中正确的是()。
选项:
-
A. 通过单总线协议进行通信

-
B. 能够在 0.1 秒内将温度数据转换为 12 位数字
-
C. 最高转换精度为 0.0625℃

-
D. 可以 DQ 引脚寄生电源供电,VDD 可以不接电源

正确答案:A、C、D
解析:
逐项判断:
A
正确
DS18B20 使用 1-Wire 单总线协议 通信,只需一根数据线 DQ 就能完成时序通信。
B
错误
DS18B20 在 12 位分辨率下,最大转换时间约为 750ms,也就是 0.75 秒,远大于 0.1 秒。
常见分辨率与转换时间:
-
9 位:93.75ms
-
10 位:187.5ms
-
11 位:375ms
-
12 位:750ms
C
正确
DS18B20 的温度分辨率最高是 0.0625℃,因为 12 位模式下最低位对应 1/16℃。
D
正确
它支持寄生电源模式:
-
VDD 可悬空
-
由 DQ 线在高电平时提供能量
这正是 DS18B20 的一个经典特性。
易错点:
“12 位分辨率”不等于“转换特别快”。
恰恰相反,分辨率越高,转换时间越长。
记忆技巧:
DS18B20 有三件很出名的事:
-
单总线
-
可寄生供电
-
12 位最高精度是 0.0625℃
看到它,脑子里先把这三张小卡片翻出来就行啦 ![]()
拓展知识——DS18B20 与 NTC 的对比:
-
DS18B20:数字量输出,省 ADC,抗干扰强,速度较慢
-
NTC:模拟量输出,需要 ADC,电路便宜,速度可更快
蓝桥杯里如果题目强调“协议”“时序”“寄生供电”,大概率就是 DS18B20;如果强调“分压”“ADC”“电阻温漂”,那多半是 NTC。
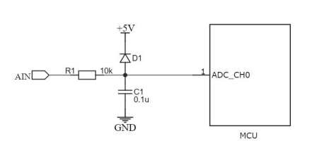
第(7)题 · ADC 采样前端偏小优化 · 单选 ·
答错(你选 D,正确答案 A)
题目:
在下图所示的 ADC 采集电路中,实际采集结果与理论值相比偏小,该如何优化这个电路()。
选项:
-
A. 减小 R1 的阻值。

-
B. 增加 R1 的阻值。
-
C. 调整 D1 的连接极性。
-
D. 互换电容 C1 和二极管 D1 的位置。
正确答案:A(减小 R1 的阻值)
解析:
这题的核心是:ADC 输入端不是理想“完全不取电”的点。
在实际采样过程中,ADC 输入内部存在采样保持动作,外部前端又有:
-
串联电阻 R1
-
对地电容 C1
如果 R1 偏大,输入节点给 ADC 采样电容充电的速度就会变慢;当采样瞬间来得比较快时,节点电压可能还没来得及完全跟上理论值,于是就出现:
实际采集结果偏小
所以最直接有效的优化,就是:
减小 R1 阻值,降低源阻抗,让 ADC 更快充到正确电压。
逐项判断:
A
正确
减小 R1,可减小 RC 时间常数,减轻采样瞬间的压降和跟随误差。
B
错误
增加 R1 只会让问题更严重,采样更慢,偏差更大。
C
错误
D1 的作用主要是输入保护或上拉箝位,改极性会破坏保护功能,不是导致“偏小”的主要根因。
D
错误
C1 对地的作用是滤波、给 ADC 采样瞬间提供局部电荷缓冲;把它和 D1 互换位置没有解决源阻抗问题,反而可能让前端保护和滤波都乱掉。
易错点:
ADC 采样偏小,常见根因不是“公式算错”,而是前端阻抗太大、采样时间太短、输入节点来不及建立稳定电压。
记忆技巧:
“ADC 怕慢源。”
前端源阻抗一大,采样就容易偏小、抖动、跟随差。
拓展知识——STC15 做 ADC 时的实战建议:
-
输入源阻抗别太大,尽量低一些
-
切换 ADC 通道后先延时,再启动转换
-
多次采样取平均,降低噪声
-
前端可保留小电容对地滤波,但别把串联电阻做太大
常见读法:
-
选通道
-
稍等稳定
-
启动转换
-
等待完成
-
读结果
这几步少任何一步,都容易翻车,别嘴硬噢 ![]()
第(8)题 · IAP15F2K61S2 芯片特性 · 单选 ·
答错(你选 BCD,正确答案 B)
题目:
下列关于 IAP15F2K61S2 单片机的说法正确的是()。
选项:
-
A. 支持 5V 或 3.3V 电源供电
-
B. IO 口可配置 4 种工作状态,最大可提供 20mA 驱动能力

-
C. 提供了 4 路 8 位 DAC
-
D. 支持通过串口进行程序下载和在线调试
正确答案:B
解析:
逐项判断:
A
错误
IAP15F2K61S2 属于 STC15 的常规电压系列,常规工作电压不是“标准 3.3V 供电款”。
如果题目强调 3.3V 低压稳定工作,通常应联想到 L 系列,而不是这颗 F 系列器件。
B
正确
STC15 系列 IO 口常见可配置为 4 种模式:
-
准双向口
-
推挽输出
-
仅输入
-
开漏输出
并且驱动能力相对较强,题干这里给出的“最大可提供 20mA 驱动能力”属于常见记忆点,判断为正确。
C
错误
IAP15F2K61S2 常见的是:
-
ADC
-
PWM / PCA
-
串口
-
定时器
并**没有“4 路 8 位 DAC”**这个配置。
D
错误
这颗芯片支持串口 ISP 下载程序,这个没问题;
但“在线调试”不是它的标准硬件调试能力表述。它没有像 ARM 那样常规的 JTAG / SWD 片上在线调试体系。
所以 D 把“串口下载”和“在线调试”捆在一起说,结论就错了。
易错点:
-
“能串口下载” ≠ “支持在线调试”
-
“STC15 家族里有人能低压跑” ≠ “这颗 F 系列就天然等于 3.3V 供电款”
记忆技巧:
这题记一个最稳的判断法:
-
4 种 IO 模式:像 STC15

-
4 路 DAC:像在乱写

-
串口下载 + 在线调试一起打包:多半有坑

拓展知识——蓝桥杯里常考的 STC15 家族辨析:
-
F 系列:常规电压
-
L 系列:低电压
-
ADC 是常见配置
-
DAC 不是这颗题目芯片的标准卖点
-
ISP 串口下载是 STC 的传统优势
考试里一看到“DAC、在线调试、3.3V”这种词同时堆上来,就要开始警觉了,很多时候就是专门拿来勾你手滑的 ![]()
速查卡:本套题核心知识点汇总
MCS-51 中断优先级
| 知识点 | 结论 |
|---|---|
| 同级中断固定次序 | INT0 > T0 > INT1 > T1 > 串口 |
| “同级”含义 | 级别相同,但仍有硬件查询顺序 |
| 不能“同时响应”多个中断 |
电路节点电流
| 知识点 | 结论 |
|---|---|
| KCL | 流入电流和 = 流出电流和 |
| 负电流 | 实际方向与参考箭头相反 |
| 先统一方向,再列式 |
多级放大电路
| 知识点 | 结论 |
|---|---|
| 总增益 AU | 倍数形式相乘,dB 形式相加 |
| 总输入电阻 RI | 看输入级 |
| 总输出电阻 RO | 看输出级 |
| 不要把 AU 记成“各级直接相加” |
闭环与触发器
| 知识点 | 结论 |
|---|---|
| 闭环 | 有反馈通路 |
| 开环 | 无反馈通路 |
| 触发器特性 | 触发后保持状态,具备记忆功能 |
| 有无负载和闭环定义不是一回事 |
DS18B20
| 知识点 | 结论 |
|---|---|
| 通信方式 | 单总线 1-Wire |
| 最高分辨率 | 12 位 |
| 最高精度 | 0.0625℃ |
| 12 位转换时间 | 约 750ms |
| 供电方式 | 可寄生供电,VDD 可悬空 |
STC15 ADC 前端
| 知识点 | 结论 |
|---|---|
| 采样偏小常见原因 | 源阻抗过大、采样建立时间不足 |
| 优化思路 | 减小串联电阻、通道切换后适当延时 |
| C1 作用 | 对地滤波、局部储能 |
| D1 作用 | 输入保护 / 箝位 |
| 不是所有“保护器件”都会导致偏小,先抓主因 |
IAP15F2K61S2
| 知识点 | 结论 |
|---|---|
| IO 模式 | 4 种工作状态 |
| 驱动能力 | 常见记忆点为可达 20mA 级别 |
| 片上模拟资源 | 有 ADC,不是“4 路 8 位 DAC” |
| 下载方式 | 支持串口 ISP 下载 |
| 串口下载不等于标准在线调试 |
一句话背诵版
-
同级中断先看固定顺序,不是同时响应 -
节点电流先统一方向,再用 KCL -
多级放大:AU 相乘,RI 看首级,RO 看末级 -
闭环就是有反馈,触发器会记状态 -
DS18B20:单总线、0.0625℃、12 位要 750ms、可寄生供电 -
ADC 偏小先查源阻抗,R1 太大就先减 -
IAP15F2K61S2:4 种 IO 模式,有 ADC,无 4 路 DAC,能串口下载但别乱说在线调试

